
CUAV Nora V1.2飞控板原理图详解与LED、MCU设计
下载需积分: 5 | 1.39MB |
更新于2024-07-09
| 11 浏览量 | 举报
3
收藏
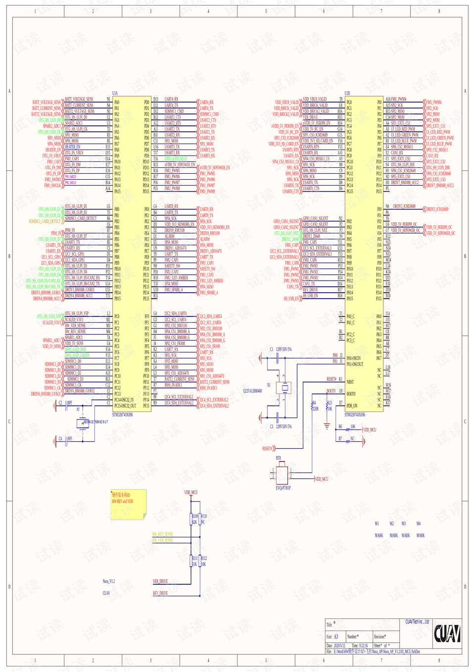
Nora_v1.2.pdf 是一份CUAV雷迅公司针对二次开发的飞控系统——Nora AP的原理图设计文档。该文档包含了两部分,分别是LED模块电路图和微控制器(MCU)电路图,显示了关键组件的连接和功能布局。
LED模块部分:
- LED模块由多个LTW-008RGB-L型号的LED灯组成,用于指示不同的状态,如蓝色、红色和绿色,通过R99-R120这些电阻与电源VDD_5V_IN相连,控制LED的亮度和颜色。UI_LED_BLUE_PWM、UI_LED_RED_PWM和UI_LED_GREEN_PWM是可能的PWM信号接口,用于调整各色LED的闪烁频率。
微控制器电路:
- 微控制器采用X1作为外部接口,可能是用于与外部设备通信或输入输出。
- R6上的10K电阻和PH0、PH1可能是上拉或下拉电阻,用于信号的电平转换或输入信号的处理。
- C1和C2-C4是陶瓷电容,提供存储电荷和滤波作用,确保数字信号的稳定传输。
- RESET#和BOOT0可能是复位和启动引脚,用于MCU的初始化。
- Q22FA12800400可能是微控制器芯片,具有128MB闪存和400MHz的时钟速度。
- M2-M4和PC1-PC10等引脚是MCU的I/O端口,用于连接外部传感器、执行器或其他控制信号。
这份图纸提供了Nora飞控系统中LED和MCU的基本电气连接和工作原理,对于理解和修改CUAV雷迅的Nora飞控系统有着重要的参考价值。二次开发人员可以根据这些原理图进行硬件定制,实现对飞控系统的个性化配置和功能扩展。
相关推荐




















咆哮的蘑菇
- 粉丝: 22
最新资源
- 网络端口监听与嗅探技术原理及应用解析
- 2017届对口升学考试计算机专业月考三试题解析
- 基于物种形成原理的量子行为粒子群算法求解非线性方程组
- 通信工程安全施工管理培训要点解析
- 信息技术视角下的贺岁卡与办公用品分销网络设计分析
- 基于STM32F407VGT6的智能吹风机设计与实现:电机控制与温控算法
- 基于TCP的服务器客户端程序设计原理与实现
- 我国企业项目管理团队建设问题与优化对策研究
- 关系数据库基础与关系代数详解
- 城市规划中数据库建设的内容与应用探析
- APQP先期产品质量策划与五大工具培训详解
- CAD建筑尺寸标注样式创建方法详解
- 电气自动化实践心得与角色转换的深度体会
- 大一计算机基础考试题库及核心知识点解析
- 全国计算机二级VFP公共基础知识考试要点解析
- 提升中职计算机课堂教学有效性的实践探索
- 网络工程设计核心要点全面解析
- 河南天工建设集团HR信息管理系统实施方案
- 数控车床编程基础:坐标系统与程序构成解析
- 2022年电子商务网站制作协议书详解与服务条款说明
- 人工智能技术在计算机图像处理中的应用研究
- xx市信息化‘十二五’发展规划与重点领域展望
- 医院档案信息化建设的现状分析与优化对策
- 积分变换的MATLAB求解方法详解